8 (800) 775 40 55
Звонок из регионов России
бесплатный!
бесплатный!
Профессиональный строительный инструмент и оборудование
Каталог инструментов
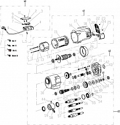
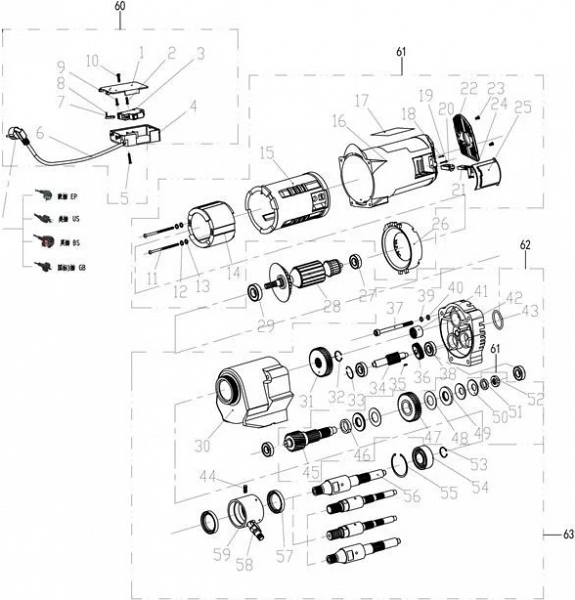
Установка для алмазного бурения Saturn OB-180B
Установка для алмазного бурения Saturn OB-180B (Сатурн ОБ-180Б) предназначена для сверления круглых отверстий Ø 20 – 180 мм в бетонных, железобетонных, базальтовых, асфальтовых и других поверхностях под трубы вентиляции, теплоснабжения, водоснабжения и подобных коммуникаций, под углом 90° – 45°, с подачей воды.
Производитель: SATURN (САТУРН) – Россия.
Преимущества установки для алмазного бурения Saturn OB-180B:
- Корпус двигателя из алюминия хорошо отводит тепло во время работы
- Наклонная станина
- Небольшой вес
- Рукоятка для переноса
- Поставляется в картонной коробке
Цена и технические характеристики установки для алмазного бурения Saturn OB-180B:
Оборудование для алмазного бурения
- Установка алмазного бурения
- Установка алмазного бурения с микроударом
- Дрель алмазного сверления
- Дрель с микроударом для алмазного бурения
- Керноотборник для асфальтобетона
- Двигатель алмазного бурения
- Двигатель алмазного бурения с микроударом
- Станина для алмазного бурения
- Станина для алмазного бурения с микроударом
- Алмазные коронки
- Доп. оборудование к технике алмазного бурения
-
Алмазные коронки по железобетону Kern Diamond Bit Concrete Premium 92 ммДиаметр: 92 ммРабочая длина: 450 ммЦена: 10 700 руб.
-
Алмазные коронки по железобетону Kern Diamond Bit Concrete Premium 280 ммДиаметр: 280 ммРабочая длина: 450 ммЦена: 40 200 руб.
-
Набор роликов для накатки желобков 2-3, 3 1/2-6, 8-12, 14-16 желобонакатчика GruvMaster RG-6X (2-16)Внутренний диаметр труб: 2" - 16"Модель желобонакатчика: RG-6XЦена: 168 000 руб.
-
Двойная роликовая насадка для трубных опор Remmers Atlant 1/8-12Диаметр открытой части роликов: 18 ммВес: 0,92 кгЦена: 2 760 руб.
-
Желобонакатный станок GruvMaster RG-5X (1-12)Диаметр труб: 1" - 12" (25,4 - 304,8 мм)Мощность: 1,1 кВтЦена: 270 000 руб.
-
Алмазная коронка для сухого бурения с микроударом Адель Diamond Hit DH-D401 200 ммДиаметр: 200 ммРабочая длина: 450 ммЦена: 18 400 руб.
-
Установка для алмазного бурения Keos KS-500 JSetДиаметр отверстий: 50 - 500 ммМощность: 3,7 кВтЦена: 314 990 руб.
-
Алмазные коронки по железобетону Kern Diamond Bit Concrete Premium 46 ммДиаметр: 46 ммРабочая длина: 450 ммЦена: 6 000 руб.
Новости
-
26.11.2025Новые поступления для серьёзной работы: спираль и адаптер от Crocodile
-
21.11.2024Поступление желобонакатчиков GruvMaster - Новинка на Российском рынке!
-
27.12.2023С новым 2024 годом!
-
20.12.2022Режим работы в Новогодние праздники
-
12.10.2022ФСБ сообщила о попытке теракта с ПЗРК «Игла» в Подмосковье





Отзывы
Оставьте Ваш отзыв